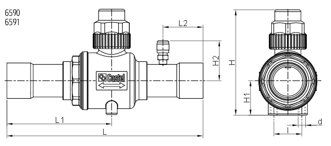
Шаровый вентиль для жидкостной магистрали Castel 6591/13

Производитель: CASTEL (Италия)

Модель: 6591/13

Наличие: Есть в наличии

Цена: 4907 грн.
Кол-во:

Шаровый вентиль для жидкостной магистрали Castel 6591/13

1 5/8'', пропускная способность 68,0 м³/час

 

ПРИМЕНЕНИЕ:

Шаровые клапаны разработаны для систем охлаждения и кондиционирования воздуха, работающих на всех общепринятых хлорфторсодержащих хладагентах.

 

КОНСТРУКЦИЯ:

Особая конструция шаровых клапанов компании Castel обеспечивает:

  • равное внутреннее давление в клапане, когда он закрыт;
  • способность «запирать» поток хладаента в любом направлении;
  • невозможность срыва шпинделя.

Клапан полностью открывается и закрывается при повороте шпинделя на четверть оборота. Элементы корпуса соединяются посредством сварки, что предотвращает утечки.

Шаровые клапаны представлены следующими сериями:

  • 6590 (полнопроходное отверстие) и 6591 (уменьшенный порт) без штуцера для внешнего соединения;
  • 6590/А (полнопроходное отверстие) и 6591/А (уменьшенный порт) со штуцером для внешнего соединения.

Клапаны типа А комплектуются сердечником 8394/A и колпачком 8392/A.

МАТЕРИАЛЫ:

 

  • корпус — латунь EN 12420 — CW 617N;
  • шар — латунь EN 12420 — CW 617N;
  • соединения под пайку — медь;
  • шпиндель — сталь;
  • прокладки — хлоропреновый каучук (CR);
  • посадочные уплотнения шара — политетрафторэтилен;
  • колпачок — пластик;
  • колпачки для типоразмеров от 6590/M64A до 6591/34A — латунь.

 

УСТАНОВКА

Пайка шаровых клапанов должна осществляться осторожно с использованием легкоплавкого припоя. Важно избеать прямого контакта пламени газовой орелки и корпуса клапана, чтобы не повредить внутренние элементы клапана.

ПРИПОЙ по ссылке http://www.refrico.com.ua/rashodnye-materily/pripoi/pripoy-medno-fosfornyy-sopormetal-fosop-6-kvadratnyy-prutok

 

Написать отзыв

Примечание: HTML разметка не поддерживается! Используйте обычный текст.
Плохо           Хорошо

Sapiente rerum magni voluptates accusantium sequi molestias deleniti aliquid facilis commodi aut. Ea ab facere voluptatem cum beatae vero dolorem doloribus itaque culpa. Molestiae, optio, libero inventore ducimus natus incidunt qui dolor adipisci tempore tempora quo minima distinctio eligendi laborum ex quaerat eos! Unde suscipit porro est amet quis nostrum enim. Asperiores, ad, hic, culpa, rerum delectus similique minus facilis reprehenderit quisquam debitis dolores suscipit!

Qui laboriosam maiores ad. Enim, autem, beatae, sapiente minima non atque maiores maxime natus corporis possimus reprehenderit id blanditiis sequi repudiandae saepe reiciendis consequatur mollitia aspernatur cum!