Обратный клапан под пайку Castel 3142/25

Производитель: CASTEL (Италия)

Модель: 3142/25

Наличие: Есть в наличии

Цена: 13414 грн.
Кол-во:

Обратный клапан под пайку Castel 3142/25

Прямой с удлиненными меднотрубными выходами под пайку внахлест ODS

3 1/8'' x 3 1/8'', (79мм)  40,0 м³/час

 

ПРЕДНАЗНАЧЕНИЕ

Обратные клапаны и краны предназначаются для монтажа в торговых холодильных установках и в системах кондиционирования воздуха бытовых и промышленных объектов, в которых применяются жидкие хладагенты R22, R134A, R404A, R407C, R410A, R507, относящиеся к группе опасности II.

 

ПРЕИМУЩЕСТВА

  • Работают со всеми фторсодержащими хладагентами;
  • Исключают проблемы с резонансными колебаниями, возникающими в холодильных установках при неполной нагрузке;
  • Увеличенные штуцеры обеспечивают гибкость применения;
  • Исключают обратную конденсацию из более теплых участков холодильного контура в холодные;
  • Гарантируют правильное направление потока хладагента.

 

ОСОБЕННОСТИ

  • В холодильных установках с компрессорами установленными паралельно, рекомендуется применять клапан  с усиленной пружиной. Обратные клапаны выпускаются в прямоточном и угловом исполнении;
  • Максимальное рабочее давление 45 бар;
  • Диапазон температур от -35°С до +160°С

 

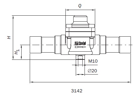
ЧЕРТЕЖ

 

ПРОИЗВОДИТЕЛЬНОСТЬ

*Примечание.

Производительности рассчитаны при следующих рабочих условиях:

  • Температура испарения: +4°C;
  • Температура конденсации: +38°C;
  • Перепад давления: 0,15 бар;

Для горячего газа:

  • Температура всасывания: +18 °C;
  • Перепад давления: 1 бар.

 

Написать отзыв

Примечание: HTML разметка не поддерживается! Используйте обычный текст.
Плохо           Хорошо

Sapiente rerum magni voluptates accusantium sequi molestias deleniti aliquid facilis commodi aut. Ea ab facere voluptatem cum beatae vero dolorem doloribus itaque culpa. Molestiae, optio, libero inventore ducimus natus incidunt qui dolor adipisci tempore tempora quo minima distinctio eligendi laborum ex quaerat eos! Unde suscipit porro est amet quis nostrum enim. Asperiores, ad, hic, culpa, rerum delectus similique minus facilis reprehenderit quisquam debitis dolores suscipit!

Qui laboriosam maiores ad. Enim, autem, beatae, sapiente minima non atque maiores maxime natus corporis possimus reprehenderit id blanditiis sequi repudiandae saepe reiciendis consequatur mollitia aspernatur cum!